В наличии
Только безнал
Можно в лизинг
Версия для печати

Паровой котел на угле 1500 кг / 1.5 т пара -130 °С -0,17 МПа / 1.7 кгс/cм²

Паровой котёл STEAMEXPERT 1500 кг/ч - 130 °С: современная конструкция для стабильного сухого пара

Ваш технологический процесс заслуживает идеального пара — сухого, стабильного, без капель и сюрпризов. Котёл STEAMEXPERT спроектирован так, чтобы вы забыли о проблемах «мокрого» пара, перепадах давления и внезапных остановках.

Никаких проблем с трубными досками.

В классических жаротрубных котлах плоские трубные доски — вечная головная боль: трещины, течи. Наша конструкция не имеет трубных досок. Водотрубный пучок из цельнотянутых бесшовных труб (ГОСТ 8732) и жаровая труба из стали 09Г2С работают без зон термических напряжений. Котёл выдерживает годы циклов без разрушения швов. Вы получаете надёжность, а не ремонты.

Высокое КПД и максимальная теплопередача.

Поперечное омывание и шахматное расположение труб обеспечивают интенсивный съём тепла. Каждый квадратный сантиметр поверхности нагрева работает на выработку пара — прямая экономия топлива.

Сухой пар — залог качества продукта.

Встроенная паросборная камера с сепаратором гарантирует, что в паропровод не попадают капли воды. Для бетона, стерилизации, сушки, нагрева сред это критично. Ваш продукт будет идеален.

Пара — с запасом, даже при резких нагрузках.

Водяной объём (более чем в 3 раза выше паропроизводительности) и паросборная камера (до 15% объёма) работают как буфер. Технолог может менять режимы — котёл не «просядет» и не выдаст влажный пар.

Подпитка холодной водой без температурного удара.

Благодаря большому водяному объёму котёл спокойно переносит добавление холодной воды. Не нужен дорогой экономайзер и сложная обвязка — проще и дешевле.

Очистка на ходу — штатная операция, не требующая остановки производства.

  • Очистка от сажи — паром под давлением: открыл вентиль, и струя сдула отложения. За минуты, не глуша котёл.
  • Дренаж шлама — без остановки парообразования. Продуманная система дренирования удаляет осадок, пока котёл работает.

STEAMEXPERT котёл, который не отвлекает от главного. Стабильный сухой пар, минимум обслуживания, никаких лишних вложений.

Подробное описание
  • Вид топки: Ручная, Колосники
  • Топливо: Твердое, Уголь
  • Температура пара, не более: 130 °С
  • Давление пара, не более: 0.17 МПа
Все характеристики

Промышленный жаротрубный паровой котел STEAMEXPERT производительностью 1,5 тонны пара в час (1500 кг) на каменном и буром угле для стабильного получения сухого насыщенного пара температурой 130 °С, давлением 0,17 МПа (1,7 кгс/см² - 1,7 бар) высокого качества, которое сохраняется независимо от нагрузки.

Цена с НДС 647 000 ₽
Уточнить цену с доставкой до вашего города
Рассмотреть другие варианты?
Оглавление
Характеристики
Описание
Комплект поставки
Потребуются
Схема подключения
Сертификаты

Технические характеристики угольного парового котла STEAMEXPERT 1500 кг 130 °С 0,17 МПа

Вид: Паровой котел
Тип: Паровой котел КП
Бренд: STEAMEXPERT
Марка: Котел паровой STEAMEXPERT Е-1,5-0,17-130 КБ
Вид топки: Ручная, Колосники
Совместимое горелочное устройство: Нет
Конструкция котла: Жаротрубный, Цилиндрический
Производительность: 1500 кг/ч
Производительность максимальная: 1.5 т/ч
Максимальная тепловая мощность: 1.1 МВт
Производительность минимальная: 0.75 т/ч
Диапазон регулирования мощности: 50-100 %
Топливо: Твердое, Уголь
Низшая теплота сгорания проектного топлива: 5230 кКал/кг
КПД котла на УГЛЕ, не менее: 82 %
Расход УГЛЯ при максимальной нагрузке котла: 251 кг/ч
Расход условного топлива при максимальной нагрузке котла: 188 кг/ч
Температура пара, не более: 130 °С
Давление пара, не более: 0.17 МПа
Давление пара, не более: 1.7 кгс/см²
Давление пара, не более: 1.7 бар
Объем водяной части котла: 5.33 м³
Объем паровой части: 0.57 м³
Аэродинамическое сопротивление: 23.8 (2.38) Па (мм. вод. ст.)
Объем уходящих газов: 1 м³/ч
Тяга: Принудительная
Объем топочной камеры: 3.22 м³
Размер топочной камеры: длина*ширина*высота: 2640х1100х1050 мм
Разряжение в топочной камере: 20-40(2-4) Па (мм. вод. ст.)
Активная площадь решетки горения: 2.74 м²
Присоединительные размеры выхода пара: 150 Ду
Присоединительные размеры по водяному тракту: 32 Ду
Присоединительные размеры газохода уходящих газов, Ду / сечение: 550 мм/м²
Габаритные размеры корпуса котла (без дренажей, амбразуры, топочного устройства, входа выхода), длина*ширина*высота: 1 мм
Габаритные размеры котла, длина*ширина*высота: 4530х2300х3200 мм
Транспортные габаритные размеры котла, длина*ширина*высота: 4530х2200х2400 мм
Масса: 4800 кг
Энергоэффективность: Высокая
Необходимость экономайзера: Не требуется
Особенность: Без экономайзера
Размещение: Внутри помещения
Энергонезависимый: Нет

Паровой котел STEAMEXPERT 1.5 т (1500 кг пара в час) на угле – насыщенный пар 130°С, 0,17 МПа

1. Назначение и область применения

Паровой угольный котел STEAMEXPERT 1.5 т (1500 кг пара в час) предназначен для получения насыщенного пара высокого давления с температурой до 130 °С и давлением не более 0,17 МПа (1,7 кгс/см², 1,7 бар). Тепловая мощность – 1,1 МВт. Применяется для технологического пароснабжения, отопления, горячего водоснабжения и вентиляции на объектах, где требуется стабильный насыщенный пар.

Оборудование используется в:

  • строительных организациях, бетонных заводах, ЖБИ, ДРСУ;
  • воинских частях, автоколоннах, больницах, банях;
  • мясокомбинатах, консервных заводах, хлебозаводах, мелькомбинатах, маслосырзаводах;
  • птицефабриках, свинокомплексах, фермерских хозяйствах;
  • предприятиях нефтегазовой, химической, кожевенной, пищевой промышленности.

2. Технические характеристики

Основные параметры парового котла 1,5 (1500 кг/ч) на угле:

  • Паропроизводительность: 1500 кг/ч (1,5 т/ч)
  • Рабочее давление пара (макс.): 0,17 МПа (1,7 кгс/см², 1,7 бар)
  • Температура насыщенного пара: до 130 °С
  • Тепловая мощность: 1,1 МВт
  • Топливо: каменный уголь, бурый уголь, дрова
  • Тип загрузки: ручная (через топочную дверцу)
  • Тип котла: горизонтальный, комбинированный, жаротрубно-водотрубный, с естественной циркуляцией теплоносителя
  • Габариты (Д×Ш×В): уточняйте по чертежу
  • Тяга: принудительная (требуется дымосос)

3. Конструкция котла: комбинированная жаротрубно-водотрубная (без трубных досок)

Паровой котёл мощностью 1500 кг пара в час на угле выполнен по комбинированной схеме, объединяющей лучшие черты жаротрубных и водотрубных котлов. В отличие от классических двухходовых и трёхходовых дымогарных (огнетрубных) котлов с трубными досками, наша конструкция не имеет сварных соединений труб с досками – это исключает зоны термических напряжений и делает котел значительно надёжнее.

Устройство:

  • Два стальных цилиндра (обечайки) разного диаметра, вставленные один в другой. Пространство между ними заполняется водой – это водяная рубашка.
  • Внутренняя обечайка (жаровая труба) изготовлена из стали 09Г2С – материала, устойчивого к термическим нагрузкам и коррозии. Она выполняет роль топочной камеры. В передней части расположена колосниковая решётка.
  • За жаровой трубой размещён конвективный пучок из наклонных цельнотянутых бесшовных труб по ГОСТ 8732 (34), установленных в шахматном порядке. Трубы омываются горячими газами, а внутри них движется вода – это водотрубный элемент, повышающий эффективность теплосъёма и КПД котла. Применение бесшовных труб исключает продольные сварные швы, что гарантирует высокую надёжность при циклических нагрузках.
  • Сверху котла установлена паросборная камера (паросборник) с сепарационными устройствами. Она обеспечивает отделение капель воды от пара – на выходе потребитель получает сухой насыщенный пар.

Почему наша конструкция надежнее и эффективнее дымогарных и чистых водотрубных котлов?

  • По сравнению с дымогарными (огнетрубными) – у нас нет трубных досок, которые являются слабым местом и частой причиной течей из-за циклических температурных расширений. Наш котел выдерживает больше циклов «нагрев-остывание» без разрушения сварных швов.
  • По сравнению с двухходовыми и трёхходовыми дымогарными паровыми котлами – у нас значительно больший водяной объём и зеркало испарения. Это позволяет стабильно вырабатывать пар даже при резких изменениях нагрузки и допускает подпитку холодной водой (+5 °С) без температурного удара. Установка дорогого экономайзера не требуется.
  • Комбинированная схема даёт высокую скорость парообразования (за счёт водотрубного конвективного пучка), одновременно большой аккумулируемый объём пара (за счёт паросборника) и сухой насыщенный пар (за счёт сепаратора).

4. Работа парового котла на угле

Вода, заполняющая межцилиндровое пространство и конвективные трубы, нагревается за счёт тепла от сгорания топлива. Твёрдое топливо (уголь или дрова) сгорает на колосниковой решётке в жаровой трубе. Вентилятор поддува подаёт воздух под колосники, интенсифицируя горение. Дымовые газы проходят через жаровую трубу, затем омывают конвективный пучок (водотрубную часть), после чего направляются в газоход.

Вода закипает и превращается в пар. Пар поднимается в верхнюю часть котла, попадает в паросборную камеру, где проходит сепарацию (отделение влаги), и через паропровод подаётся потребителю.

Режим работы – непрерывный. Котёл может работать 24/7 с периодической загрузкой топлива (вручную) и очисткой от шлама и сажи без остановки.

Варианты организации дымоудаления и очистки газов:

  • Вариант 1. Работа с дымососом (базовая схема).  Данный вариант применим, когда не требуется высокая степень очистки дымовых газов (санитарные нормы соблюдаются за счёт рассеивания).
  • Вариант 2. Работа с золоуловителем и дымососом. Если по экологическим требованиям или условиям местности необходима очистка дымовых газов (например, установка циклона или батарейного циклона), то в газоход за котлом монтируется золоуловитель. Золоуловитель создаёт дополнительное аэродинамическое сопротивление, поэтому для штатной работы потребуется дымосос большей мощности. Степень очистки газов достигает 80–90%, что позволяет использовать котёл в густонаселённых районах и при жёстких нормативах ПДВ.

5. Регулирование паропроизводительности и температуры

Паропроизводительность регулируется двумя способами:

  • Изменением количества загружаемого топлива и толщины слоя на колосниковой решётке (визуально, кочегаром).
  • Регулировкой подачи воздуха шибером на вентиляторе поддува – уменьшая или увеличивая интенсивность горения.

Автоматика парового котла (опция) осуществляет управление вентилятором по давлению пара: достигнув верхнего предела, автоматика отключает вентилятор, при снижении давления – включает.

Температура насыщенного пара жёстко связана с давлением: чем ниже давление, тем ниже температура. Для получения пара с температурой 95 °С достаточно снизить рабочее давление, выставив соответствующее давление пара на электроконтактный манометр.

Таблица зависимости температуры пара от давления:

Температура пара, °С 110 115 120 130
Давление пара, МПа 0.05 0.07 0.1 0.17

6. Безопасность котла

Паровой котел угольный КПр 1500 - 130 оснащён несколькими независимыми системами безопасности:

  • Два водоуказательных прибора (стекла) и водомерная колонка – визуальный контроль уровня воды. При снижении уровня ниже допустимого оператор обязан подпитать котёл.
  • Взрывной клапан в задней части котельного блока – защищает трубную систему от разрушения при возможном хлопке скопившихся газов.

7. Преимущества парового котла STEAMEXPERT 1.5 т - 130 °С (1500 кг пара в час) на твердом топливе уголь

  • Отсутствие трубных досок – нет коррозионно-эрозионного разрушения сварных швов, ресурс выше, чем у дымогарных аналогов.
  • Высокая скорость парообразования благодаря эффективному водотрубному конвективному пучку.
  • Большой водяной (более 3-х раз больше паропроизводительности) и паровой объем (до 15% объёма) котла гарантируют стабильную подачу сухого пара при любых нагрузках.
  • Выдерживает подпитку холодной водой благодаря большому водяному объёму - нет термических ударов и трещин, не требуется дорогой экономайзер.
  • Сухой пар на выходе – сепарационная камера препятствует выносу капель воды, что важно для технологических процессов (стерилизация, сушка, бетонирование).
  • Очистка конвективной части паром без остановки – в задней стенке есть устройство для обдувки, достаточно направить струю пара под давлением.
  • Дренаж шлама без остановки парообразования – устройство нижних штуцеров позволяет удалять осадок, не глуша котёл.

8. Требования к питательной воде и водоподготовке

Для паровых котлов качество воды критически важно. При жёсткой воде образуется накипь, которая приводит к перегреву металла и аварии. Согласно ПТЭ ТЭ, для котлов с давлением до 0,17 МПа рекомендуются следующие нормы:

Показатель Нормативное значение Примечание
Общая жёсткость не более 0,02 мг·экв/л Обязательно умягчение Na-катионированием
Содержание растворённого кислорода не более 0,03 мг/л Требуется деаэрация или введение сульфита натрия
Водородный показатель (pH) 8,5 – 10,5 Поддержание щелочной среды для снижения коррозии

Рекомендация: закажите заранее химический анализ исходной воды в аккредитованной лаборатории (стоит недорого, делается быстро). Наши инженеры подберут схему водоподготовительной установки (ВПУ), которая обеспечит долгую безаварийную работу котла.

10. Монтаж и транспортировка

Котёл поставляется одним блоком максимальной заводской готовности. Транспортировка – ж/д и автотранспорт закрытого типа с верхней загрузкой в горизонтальном положении, исключающем смещение и удары. Монтаж и пусконаладка выполняется специализированной организацией, имеющей допуск к работе с оборудованием под давлением.

Порядок монтажа:

  • Установка котла на ровное бетонное основание (без анкеров, если не требуется).
  • Подключение питательной линии (водопровод через насос) с обратным клапаном и вентилем.
  • Подключение паропровода к паросборнику с установкой предохранительных клапанов и отключающей арматуры.
  • Подсоединение вентилятора поддува к воздуховоду и его подключение к автоматике.
  • Монтаж газоходов и дымовой трубы (рекомендуемая высота от 9 метров, выше конька кровли).
  • Монтаж дымососа и и золоуловителя (в случае необходимости).
  • Заполнение котла водой, проверка герметичности, гидравлическое испытание (пробное давление 0,105 МПа).
  • Наладка работы котла в различных режимах.

11. Заказать и купить паровой котел на угле 1500 кг / 1.5 т пара -130 °С -0,17 МПа / 1.7 кгс/cм²

Для получения коммерческого предложения или покупки парового котла КП-1.5-0.17-130 КБ угольного отправьте запрос с указанием:

  • Паропроизводительность (1500 кг/ч).
  • Вид топлива (каменный уголь, бурый уголь, дрова).
  • Результаты химического анализа питательной воды (если есть).
  • Необходимость автоматики, насосов, водоподготовки, дымососа, золоуловителя (циклон) – если требуется очистка дымовых газов (в этом случае понадобится дымосос), газоходы и переходники по индивидуальным размерам.
  • Увеличение давления до 0,9 МПа (9 кгс/см²) – для потребителей, которым требуется более высокий температурный потенциал пара.

Контакты отдела продаж:

  • Тел.: +8-800-700-81-25
  • Email: heatexpert.ru@yandex.ru

Гарантия 12 месяцев. Расчетный срок службы — 10 лет.

Комплект поставки угольного парового котла STEAMEXPERT 1500 кг 130 °С 0,17 МПа

Цена угольного парового котла STEAMEXPERT 1500 кг 130 °С 0,17 МПа включает в себя запорную арматуру и КИП в пределах котла, вентилятор поддува и предохранительные клапаны. Ниже приведена подробная информация.

Дополнительное вспомогательное оборудование для работы угольного парового котла STEAMEXPERT 1500 кг 130 °С 0,17 МПа

Для эффективной и надежной работы угольного парового котла STEAMEXPERT 1500 кг 130 °С 0,17 МПа в вашей котельной вам потребуется дополнительное оборудование - автоматика ЩУК, насос подпиточный, газоходы и переходники для газового тракта, дымовая труба. Мы предлагаем рассмотреть типовые варианты комплектации.

В случае если у вас на объекте уже имеется насосное и тягодутьевое оборудование, мы можем проверить совместимость угольного парового котла STEAMEXPERT 1500 кг 130 °С 0,17 МПа нашего производства и вашего оборудования.

Для проверки соответствия подпиточной воды для котлоагрегата требованиям к питательной воде, направьте нам химический анализ воды, в случае необходимости ее корректировки мы предложим вам систему водоподготовки котловой воды.

Можем изготовить нестандартные узлы для выполнения быстрого монтажа котла - газоходы и узлы обвязки. 

Типовую схему монтажа котла вы можете посмотреть во вкладке схемы подключения и монтаж.

Pedrollo насос
Цена по запросу
Легкоплавкая пробка
Цена 2 000 ₽
Водоподготовка
Цена по запросу
Котла газоход
Цена по запросу
ДН 6.3 дымосос
Цена 101 400 ₽
ЗУ 1,1 золоуловитель
Цена 61 000 ₽
ДН 8 дымосос
Цена 217 100 ₽

Схема подключения и монтажа

Монтаж угольного парового котла STEAMEXPERT 1500 кг 130 °С 0,17 МПа в котельной должен производиться в соответствии с проектом и с учетом требований Свода правил СП 89.13330. 2016 «Котельные установки» и «Правил устройства и безопасной эксплуатации паровых котлов с давлением пара не более 0,07 МПа (0,7 кгс/см2), водогрейных котлов и водоподогревателей с температурой нагрева воды не выше 388 К (115 С)». Правильный монтаж котла – залог его надежной и долгой работы.

Чтобы правильно подключить паровой котел на угле 1500 кг / 1.5 т пара -130 °С -0,17 МПа / 1.7 кгс/cм² в котельной необходимо оставить проемы для обслуживания оборудования во время эксплуатации. На представленной здесь схеме обозначены их размеры. Кроме того, в данной примерной схеме монтажа паровых котлов и оборудования указан перечень минимально необходимого вспомогательного оборудования.

К вспомогательному оборудованию при подключении промышленного парового котла относят - щит управления котлом, питательные насосы (1 рабочий, 2 резервный), бак запаса воды, охладитель проб отбора воды, систему водоподготовки котловой воды, дымовую трубу, систему газоходов и тягодутьевых механизмов (по проекту).

В случае если подпиточная вода не соответствует по своим характеристикам требованиям к питательной воде, необходимо предусмотреть систему водоподготовки котловой воды.

Схема подключения и монтажа
Схема подключения и монтажа

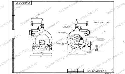
Схема угольного парового котла STEAMEXPERT 1500 кг 130 °С 0,17 МПа

В передней части жаровой трубы размещена топка, а в задней части - конвективный пучок труб.

В верхней части котла приварен паросборник, представляющий собой полуцилиндр. На паросборной камере устанавливаются предохранительные клапаны и два штуцера Ду15, один для установки электроконтактного манометра, второй для спуска воздуха с котла при заполнении водой при подготовке к работе.

К фронтовой плите крепится воздуховод и вентилятор для подачи воздуха в топку котла под колосниковую решетку.

На задней крышке в основании дымовой трубы выполнен предохранительный взрывной клапан.

Образующиеся в топочной камере продукты сгорания проходят конвективный пучок труб и выводятся через трубу дымовую, установленную на корпусе в хвостовой части котла.

Схема {{parts_subject_r}}
Схема угольного парового котла STEAMEXPERT 1500 кг 130 °С 0,17 МПа

Система питания угольного парового котла STEAMEXPERT 1500 кг 130 °С 0,17 МПа

При работе котла питание водой угольного парового котла STEAMEXPERT 1500 кг 130 °С 0,17 МПа производится через штуцер.

Подпитка котла ведется из питательного бака через насос, соединительную арматуру. На трубопроводе подпитки котла водой должно быть установлено запорное устройство и обратный клапан. Запорное устройство должно располагаться между котлом и обратным клапаном.

Для подпитки устанавливается не менее двух насосов с электроприводом. На стороне нагнетания каждого центробежного насоса до запорного органа должен быть установлен обратный клапан.

На трубопроводе выдачи пара, в непосредственной близости от котла, устанавливается запорное устройство.

На котле имеются продувочные штуцера Ду25, Ду15 и Ду10. Штуцер Ду25 предназначен для удаления шлама, образующегося в результате работы котла, периодической продувки котловой воды и для спуска воды в случае необходимости. Штуцер Ду15 предназначен для продувки водомерной колонки. Штуцера Ду10 предназначены для продувки указателей уровня.

В передней части жаровой трубы в верхней части установлена легкоплавкая пробка – предохранительное устройство прямого действия.

На боковой части корпуса устанавливается датчик уровней воды, связанный с паровым и водным пространством котла соединительными трубками не менее Ду25.

На боковой части корпуса устанавливается соединительная труба (колонка), служащая для установки двух указателей уровня, и связанная с паровым и водным пространством котла соединительными трубками не менее Ду25.

На боковой части корпуса внизу у котла имеется ревизия с крышкой, для периодического осмотра состояния поверхностей нагрева со стороны водяного объема.

Система питания котла
Система питания угольного парового котла STEAMEXPERT 1500 кг 130 °С 0,17 МПа

Отвод пара угольного парового котла STEAMEXPERT 1500 кг 130 °С 0,17 МПа

Предохранительные клапаны предназначены для стравливания давления в котле при превышении допустимого значения. На котле установлено самопритирающиеся предохранительных клапана пропускной способностью не менее часовой производительности котле.

Принцип работы клапана состоит в том, что при достижении паром номинального давления избыток пара выходит наружу. Клапана оборудованы ручным приводом для открывания при проверке их на срабатывание.

Щит управления совместно с электрооборудованием предназначен для управления работой угольного парового котла STEAMEXPERT 1500 кг 130 °С 0,17 МПа и защиты его при возникновении аварийных ситуаций. На двери щита расположены сигнальная лампа и органы управления работой котла, с табличками, указывающими их назначение. По месту либо на стенке щита крепится сигнальная сирена.

На паросборной камере устанавливается один электроконтактный манометр. При монтаже манометра, показывающего давление пара в котле, должна быть предусмотрена установка трехходового крана между манометром и сифонным устройством. Допускается установка других устройств, позволяющих контролировать показания рабочего манометра, путем подключения в систему контрольного манометра. Электроконтактный манометр выполняет роль датчика давления и предназначен для отключения дутьевого вентилятора и включения аварийной сигнализации при достижении паром предельно допустимого давления.

Датчик уровней служит для подачи команды на включение и отключение питательного насоса котла в процессе работы.

Указатель уровня воды предназначен для визуального контроля за уровнем воды при работе котла. На корпусе указателя крепится рамка или наносятся метки, указывающие верхний и нижний уровень воды.

Легкоплавкая пробка предназначена для сброса пара во внутренний объем топочной камеры в случае упуска воды ниже аварийного уровня и достижения фактического уровня воды на работающем котле ниже верхней кромки жаровой трубы. При этом легкоплавкая пробка перестает охлаждаться котловой водой и нагревается до температуры газов в топочной камере. Из-за нагрева наполнитель легкоплавкой пробки плавится и выдавливается давлением пара в топочную камеру, при этом сбрасывается давление пара и дополнительно гасится пламя.

Отвод пара {{parts_subject_r}}
Отвод пара угольного парового котла STEAMEXPERT 1500 кг 130 °С 0,17 МПа

Сертификат и качество угольного парового котла STEAMEXPERT 1500 кг 130 °С 0,17 МПа

Паровые котлы производства Котельный завод "РЭП" соответствуют строгим стандартам качества и безопасности. Завод производит паровые котлы в соответствии с Техническими условиями Завода изготовителя.

Котлы имеют сертификаты соответствия Техническим регламентам Таможенного союза:

  • ТР ТС 032/2013 «О безопасности оборудования, работающего под избыточным давлением».

Жаротрубный паровой котел на угле 1500 кг / 1.5 т пара -130 °С -0,17 МПа / 1.7 кгс/cм² имеет гарантийный срок 12 месяцев и срок работы при соблюдении правил монтажа и эксплуатации оборудования 10 лет.

Паровые котлы сертификат
Сертификат на паровые котлы
Торговый знак на котлы паровые STEAMEXPERT
Торговый знак на паровые котлы STEAMEXPERT

Производим промышленные водогрейные и паровые котлы с 2003 г.

Завод осуществляет производство, проектирование и монтаж котельного оборудования для производственных и отопительных котельных.

Котельный завод