В наличии
Только безнал
Можно в лизинг
Версия для печати

Паровой котел на угле 1600 кг / 1.6 т пара -130 °С -0,17 МПа / 1.7 кгс/cм²

Паровой котёл STEAMEXPERT 1600 кг/ч - 130 °С: современная конструкция для стабильного сухого пара

Ваш технологический процесс заслуживает идеального пара — сухого, стабильного, без капель и сюрпризов. Котёл STEAMEXPERT спроектирован так, чтобы вы забыли о проблемах «мокрого» пара, перепадах давления и внезапных остановках.

Никаких проблем с трубными досками.

В классических жаротрубных котлах плоские трубные доски — вечная головная боль: трещины, течи. Наша конструкция не имеет трубных досок. Водотрубный пучок из цельнотянутых бесшовных труб (ГОСТ 8732) и жаровая труба из стали 09Г2С работают без зон термических напряжений. Котёл выдерживает годы циклов без разрушения швов. Вы получаете надёжность, а не ремонты.

Высокое КПД и максимальная теплопередача.

Поперечное омывание и шахматное расположение труб обеспечивают интенсивный съём тепла. Каждый квадратный сантиметр поверхности нагрева работает на выработку пара — прямая экономия топлива.

Сухой пар — залог качества продукта.

Встроенная паросборная камера с сепаратором гарантирует, что в паропровод не попадают капли воды. Для бетона, стерилизации, сушки, нагрева сред это критично. Ваш продукт будет идеален.

Пара — с запасом, даже при резких нагрузках.

Водяной объём (более чем в 3 раза выше паропроизводительности) и паросборная камера (до 15% объёма) работают как буфер. Технолог может менять режимы — котёл не «просядет» и не выдаст влажный пар.

Подпитка холодной водой без температурного удара.

Благодаря большому водяному объёму котёл спокойно переносит добавление холодной воды. Не нужен дорогой экономайзер и сложная обвязка — проще и дешевле.

Очистка на ходу — штатная операция, не требующая остановки производства.

  • Очистка от сажи — паром под давлением: открыл вентиль, и струя сдула отложения. За минуты, не глуша котёл.
  • Дренаж шлама — без остановки парообразования. Продуманная система дренирования удаляет осадок, пока котёл работает.

STEAMEXPERT котёл, который не отвлекает от главного. Стабильный сухой пар, минимум обслуживания, никаких лишних вложений.

Подробное описание

Промышленный жаротрубный паровой котел STEAMEXPERT производительностью 1,6 тонны пара в час (1600 кг) на каменном и буром угле для стабильного получения сухого насыщенного пара температурой 130 °С, давлением 0,17 МПа (1,7 кгс/см² - 1,7 бар) высокого качества, которое сохраняется независимо от нагрузки.

Цена с НДС 647 000 ₽
Уточнить цену с доставкой до вашего города
Рассмотреть другие варианты?
Оглавление
Характеристики
Описание
Комплект поставки
Потребуются
Схема подключения
Сертификаты

Технические характеристики угольного парового котла STEAMEXPERT 1600 кг 130 °С 0,17 МПа

Вид: Паровой котел
Тип: Паровой котел КП
Бренд: STEAMEXPERT
Марка: Котел паровой STEAMEXPERT Е-1,6-0,17-130 КБ
Вид топки: Ручная, Колосники
Совместимое горелочное устройство: Нет
Конструкция котла: Жаротрубный, Цилиндрический
Производительность: 1600 кг/ч
Производительность максимальная: 1.6 т/ч
Максимальная тепловая мощность: 1.2 МВт
Производительность минимальная: 0.8 т/ч
Диапазон регулирования мощности: 50-100 %
Топливо: Твердое, Уголь
Низшая теплота сгорания проектного топлива: 5230 кКал/кг
КПД котла на УГЛЕ, не менее: 82 %
Расход УГЛЯ при максимальной нагрузке котла: 251 кг/ч
Расход условного топлива при максимальной нагрузке котла: 188 кг/ч
Температура пара, не более: 130 °С
Давление пара, не более: 0.17 МПа
Давление пара, не более: 1.7 кгс/см²
Давление пара, не более: 1.7 бар
Объем водяной части котла: 5.33 м³
Объем паровой части: 0.57 м³
Аэродинамическое сопротивление: 23.8 (2.38) Па (мм. вод. ст.)
Объем уходящих газов: 1 м³/ч
Тяга: Принудительная
Объем топочной камеры: 3.22 м³
Размер топочной камеры: длина*ширина*высота: 2640х1100х1050 мм
Разряжение в топочной камере: 20-40(2-4) Па (мм. вод. ст.)
Активная площадь решетки горения: 2.74 м²
Присоединительные размеры выхода пара: 150 Ду
Присоединительные размеры по водяному тракту: 32 Ду
Присоединительные размеры газохода уходящих газов, Ду / сечение: 550 мм/м²
Габаритные размеры корпуса котла (без дренажей, амбразуры, топочного устройства, входа выхода), длина*ширина*высота: 1 мм
Габаритные размеры котла, длина*ширина*высота: 4530х2300х3200 мм
Транспортные габаритные размеры котла, длина*ширина*высота: 4530х2200х2400 мм
Масса: 4800 кг
Энергоэффективность: Высокая
Необходимость экономайзера: Не требуется
Особенность: Без экономайзера
Размещение: Внутри помещения
Энергонезависимый: Нет

Паровой котел STEAMEXPERT 1.6 т (1600 кг пара в час) на угле – насыщенный пар 130°С, 0,17 МПа

1. Назначение и область применения

Паровой угольный котел STEAMEXPERT 1.6 т (1600 кг пара в час) предназначен для получения насыщенного пара высокого давления с температурой до 130 °С и давлением не более 0,17 МПа (1,7 кгс/см², 1,7 бар). Тепловая мощность – 1,2 МВт. Применяется для технологического пароснабжения, отопления, горячего водоснабжения и вентиляции на объектах, где требуется стабильный насыщенный пар.

Оборудование используется в:

  • строительных организациях, бетонных заводах, ЖБИ, ДРСУ;
  • воинских частях, автоколоннах, больницах, банях;
  • мясокомбинатах, консервных заводах, хлебозаводах, мелькомбинатах, маслосырзаводах;
  • птицефабриках, свинокомплексах, фермерских хозяйствах;
  • предприятиях нефтегазовой, химической, кожевенной, пищевой промышленности.

2. Технические характеристики

Основные параметры парового котла 1,6 (1600 кг/ч) на угле:

  • Паропроизводительность: 1600 кг/ч (1,6 т/ч)
  • Рабочее давление пара (макс.): 0,17 МПа (1,7 кгс/см², 1,7 бар)
  • Температура насыщенного пара: до 130 °С
  • Тепловая мощность: 1,2 МВт
  • Топливо: каменный уголь, бурый уголь, дрова
  • Тип загрузки: ручная (через топочную дверцу)
  • Тип котла: горизонтальный, комбинированный, жаротрубно-водотрубный, с естественной циркуляцией теплоносителя
  • Габариты (Д×Ш×В): уточняйте по чертежу
  • Тяга: принудительная (требуется дымосос)

3. Конструкция котла: комбинированная жаротрубно-водотрубная (без трубных досок)

Паровой котёл мощностью 1600 кг пара в час на угле выполнен по комбинированной схеме, объединяющей лучшие черты жаротрубных и водотрубных котлов. В отличие от классических двухходовых и трёхходовых дымогарных (огнетрубных) котлов с трубными досками, наша конструкция не имеет сварных соединений труб с досками – это исключает зоны термических напряжений и делает котел значительно надёжнее.

Устройство:

  • Два стальных цилиндра (обечайки) разного диаметра, вставленные один в другой. Пространство между ними заполняется водой – это водяная рубашка.
  • Внутренняя обечайка (жаровая труба) изготовлена из стали 09Г2С – материала, устойчивого к термическим нагрузкам и коррозии. Она выполняет роль топочной камеры. В передней части расположена колосниковая решётка.
  • За жаровой трубой размещён конвективный пучок из наклонных цельнотянутых бесшовных труб по ГОСТ 8732 (34), установленных в шахматном порядке. Трубы омываются горячими газами, а внутри них движется вода – это водотрубный элемент, повышающий эффективность теплосъёма и КПД котла. Применение бесшовных труб исключает продольные сварные швы, что гарантирует высокую надёжность при циклических нагрузках.
  • Сверху котла установлена паросборная камера (паросборник) с сепарационными устройствами. Она обеспечивает отделение капель воды от пара – на выходе потребитель получает сухой насыщенный пар.

Почему наша конструкция надежнее и эффективнее дымогарных и чистых водотрубных котлов?

  • По сравнению с дымогарными (огнетрубными) – у нас нет трубных досок, которые являются слабым местом и частой причиной течей из-за циклических температурных расширений. Наш котел выдерживает больше циклов «нагрев-остывание» без разрушения сварных швов.
  • По сравнению с двухходовыми и трёхходовыми дымогарными паровыми котлами – у нас значительно больший водяной объём и зеркало испарения. Это позволяет стабильно вырабатывать пар даже при резких изменениях нагрузки и допускает подпитку холодной водой (+5 °С) без температурного удара. Установка дорогого экономайзера не требуется.
  • Комбинированная схема даёт высокую скорость парообразования (за счёт водотрубного конвективного пучка), одновременно большой аккумулируемый объём пара (за счёт паросборника) и сухой насыщенный пар (за счёт сепаратора).

4. Работа парового котла на угле

Вода, заполняющая межцилиндровое пространство и конвективные трубы, нагревается за счёт тепла от сгорания топлива. Твёрдое топливо (уголь или дрова) сгорает на колосниковой решётке в жаровой трубе. Вентилятор поддува подаёт воздух под колосники, интенсифицируя горение. Дымовые газы проходят через жаровую трубу, затем омывают конвективный пучок (водотрубную часть), после чего направляются в газоход.

Вода закипает и превращается в пар. Пар поднимается в верхнюю часть котла, попадает в паросборную камеру, где проходит сепарацию (отделение влаги), и через паропровод подаётся потребителю.

Режим работы – непрерывный. Котёл может работать 24/7 с периодической загрузкой топлива (вручную) и очисткой от шлама и сажи без остановки.

Варианты организации дымоудаления и очистки газов:

  • Вариант 1. Работа с дымососом (базовая схема).  Данный вариант применим, когда не требуется высокая степень очистки дымовых газов (санитарные нормы соблюдаются за счёт рассеивания).
  • Вариант 2. Работа с золоуловителем и дымососом. Если по экологическим требованиям или условиям местности необходима очистка дымовых газов (например, установка циклона или батарейного циклона), то в газоход за котлом монтируется золоуловитель. Золоуловитель создаёт дополнительное аэродинамическое сопротивление, поэтому для штатной работы потребуется дымосос большей мощности. Степень очистки газов достигает 80–90%, что позволяет использовать котёл в густонаселённых районах и при жёстких нормативах ПДВ.

5. Регулирование паропроизводительности и температуры

Паропроизводительность регулируется двумя способами:

  • Изменением количества загружаемого топлива и толщины слоя на колосниковой решётке (визуально, кочегаром).
  • Регулировкой подачи воздуха шибером на вентиляторе поддува – уменьшая или увеличивая интенсивность горения.

Автоматика парового котла (опция) осуществляет управление вентилятором по давлению пара: достигнув верхнего предела, автоматика отключает вентилятор, при снижении давления – включает.

Температура насыщенного пара жёстко связана с давлением: чем ниже давление, тем ниже температура. Для получения пара с температурой 95 °С достаточно снизить рабочее давление, выставив соответствующее давление пара на электроконтактный манометр.

Таблица зависимости температуры пара от давления:

Температура пара, °С 110 115 120 130
Давление пара, МПа 0.05 0.07 0.1 0.17

6. Безопасность котла

Паровой котел угольный КПр 1600 - 130 оснащён несколькими независимыми системами безопасности:

  • Два водоуказательных прибора (стекла) и водомерная колонка – визуальный контроль уровня воды. При снижении уровня ниже допустимого оператор обязан подпитать котёл.
  • Взрывной клапан в задней части котельного блока – защищает трубную систему от разрушения при возможном хлопке скопившихся газов.

7. Преимущества парового котла STEAMEXPERT 1.6 т - 130 °С (1600 кг пара в час) на твердом топливе уголь

  • Отсутствие трубных досок – нет коррозионно-эрозионного разрушения сварных швов, ресурс выше, чем у дымогарных аналогов.
  • Высокая скорость парообразования благодаря эффективному водотрубному конвективному пучку.
  • Большой водяной (более 3-х раз больше паропроизводительности) и паровой объем (до 15% объёма) котла гарантируют стабильную подачу сухого пара при любых нагрузках.
  • Выдерживает подпитку холодной водой благодаря большому водяному объёму - нет термических ударов и трещин, не требуется дорогой экономайзер.
  • Сухой пар на выходе – сепарационная камера препятствует выносу капель воды, что важно для технологических процессов (стерилизация, сушка, бетонирование).
  • Очистка конвективной части паром без остановки – в задней стенке есть устройство для обдувки, достаточно направить струю пара под давлением.
  • Дренаж шлама без остановки парообразования – устройство нижних штуцеров позволяет удалять осадок, не глуша котёл.

8. Требования к питательной воде и водоподготовке

Для паровых котлов качество воды критически важно. При жёсткой воде образуется накипь, которая приводит к перегреву металла и аварии. Согласно ПТЭ ТЭ, для котлов с давлением до 0,17 МПа рекомендуются следующие нормы:

Показатель Нормативное значение Примечание
Общая жёсткость не более 0,02 мг·экв/л Обязательно умягчение Na-катионированием
Содержание растворённого кислорода не более 0,03 мг/л Требуется деаэрация или введение сульфита натрия
Водородный показатель (pH) 8,5 – 10,5 Поддержание щелочной среды для снижения коррозии

Рекомендация: закажите заранее химический анализ исходной воды в аккредитованной лаборатории (стоит недорого, делается быстро). Наши инженеры подберут схему водоподготовительной установки (ВПУ), которая обеспечит долгую безаварийную работу котла.

10. Монтаж и транспортировка

Котёл поставляется одним блоком максимальной заводской готовности. Транспортировка – ж/д и автотранспорт закрытого типа с верхней загрузкой в горизонтальном положении, исключающем смещение и удары. Монтаж и пусконаладка выполняется специализированной организацией, имеющей допуск к работе с оборудованием под давлением.

Порядок монтажа:

  • Установка котла на ровное бетонное основание (без анкеров, если не требуется).
  • Подключение питательной линии (водопровод через насос) с обратным клапаном и вентилем.
  • Подключение паропровода к паросборнику с установкой предохранительных клапанов и отключающей арматуры.
  • Подсоединение вентилятора поддува к воздуховоду и его подключение к автоматике.
  • Монтаж газоходов и дымовой трубы (рекомендуемая высота от 9 метров, выше конька кровли).
  • Монтаж дымососа и и золоуловителя (в случае необходимости).
  • Заполнение котла водой, проверка герметичности, гидравлическое испытание (пробное давление 0,105 МПа).
  • Наладка работы котла в различных режимах.

11. Заказать и купить паровой котел на угле 1600 кг / 1.6 т пара -130 °С -0,17 МПа / 1.7 кгс/cм²

Для получения коммерческого предложения или покупки парового котла КП-1.6-0.17-130 КБ угольного отправьте запрос с указанием:

  • Паропроизводительность (1600 кг/ч).
  • Вид топлива (каменный уголь, бурый уголь, дрова).
  • Результаты химического анализа питательной воды (если есть).
  • Необходимость автоматики, насосов, водоподготовки, дымососа, золоуловителя (циклон) – если требуется очистка дымовых газов (в этом случае понадобится дымосос), газоходы и переходники по индивидуальным размерам.
  • Увеличение давления до 0,9 МПа (9 кгс/см²) – для потребителей, которым требуется более высокий температурный потенциал пара.

Контакты отдела продаж:

  • Тел.: +8-800-700-81-25
  • Email: heatexpert.ru@yandex.ru

Гарантия 12 месяцев. Расчетный срок службы — 10 лет.

Комплект поставки угольного парового котла STEAMEXPERT 1600 кг 130 °С 0,17 МПа

Цена угольного парового котла STEAMEXPERT 1600 кг 130 °С 0,17 МПа включает в себя запорную арматуру и КИП в пределах котла, вентилятор поддува и предохранительные клапаны. Ниже приведена подробная информация.

Дополнительное вспомогательное оборудование для работы угольного парового котла STEAMEXPERT 1600 кг 130 °С 0,17 МПа

Для эффективной и надежной работы угольного парового котла STEAMEXPERT 1600 кг 130 °С 0,17 МПа в вашей котельной вам потребуется дополнительное оборудование - автоматика ЩУК, насос подпиточный, газоходы и переходники для газового тракта, дымовая труба. Мы предлагаем рассмотреть типовые варианты комплектации.

В случае если у вас на объекте уже имеется насосное и тягодутьевое оборудование, мы можем проверить совместимость угольного парового котла STEAMEXPERT 1600 кг 130 °С 0,17 МПа нашего производства и вашего оборудования.

Для проверки соответствия подпиточной воды для котлоагрегата требованиям к питательной воде, направьте нам химический анализ воды, в случае необходимости ее корректировки мы предложим вам систему водоподготовки котловой воды.

Можем изготовить нестандартные узлы для выполнения быстрого монтажа котла - газоходы и узлы обвязки. 

Типовую схему монтажа котла вы можете посмотреть во вкладке схемы подключения и монтаж.

Pedrollo насос
Цена по запросу
Легкоплавкая пробка
Цена 2 000 ₽
Водоподготовка
Цена по запросу
Котла газоход
Цена по запросу
ДН 6.3 дымосос
Цена 101 400 ₽
ЗУ 1,1 золоуловитель
Цена 61 000 ₽
ДН 8 дымосос
Цена 217 100 ₽

Схема подключения и монтажа

Монтаж угольного парового котла STEAMEXPERT 1600 кг 130 °С 0,17 МПа в котельной должен производиться в соответствии с проектом и с учетом требований Свода правил СП 89.13330. 2016 «Котельные установки» и «Правил устройства и безопасной эксплуатации паровых котлов с давлением пара не более 0,07 МПа (0,7 кгс/см2), водогрейных котлов и водоподогревателей с температурой нагрева воды не выше 388 К (115 С)». Правильный монтаж котла – залог его надежной и долгой работы.

Чтобы правильно подключить паровой котел на угле 1600 кг / 1.6 т пара -130 °С -0,17 МПа / 1.7 кгс/cм² в котельной необходимо оставить проемы для обслуживания оборудования во время эксплуатации. На представленной здесь схеме обозначены их размеры. Кроме того, в данной примерной схеме монтажа паровых котлов и оборудования указан перечень минимально необходимого вспомогательного оборудования.

К вспомогательному оборудованию при подключении промышленного парового котла относят - щит управления котлом, питательные насосы (1 рабочий, 2 резервный), бак запаса воды, охладитель проб отбора воды, систему водоподготовки котловой воды, дымовую трубу, систему газоходов и тягодутьевых механизмов (по проекту).

В случае если подпиточная вода не соответствует по своим характеристикам требованиям к питательной воде, необходимо предусмотреть систему водоподготовки котловой воды.

Схема подключения и монтажа
Схема подключения и монтажа

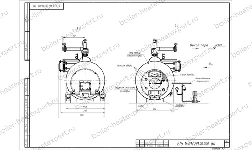
Схема угольного парового котла STEAMEXPERT 1600 кг 130 °С 0,17 МПа

В передней части жаровой трубы размещена топка, а в задней части - конвективный пучок труб.

В верхней части котла приварен паросборник, представляющий собой полуцилиндр. На паросборной камере устанавливаются предохранительные клапаны и два штуцера Ду15, один для установки электроконтактного манометра, второй для спуска воздуха с котла при заполнении водой при подготовке к работе.

К фронтовой плите крепится воздуховод и вентилятор для подачи воздуха в топку котла под колосниковую решетку.

На задней крышке в основании дымовой трубы выполнен предохранительный взрывной клапан.

Образующиеся в топочной камере продукты сгорания проходят конвективный пучок труб и выводятся через трубу дымовую, установленную на корпусе в хвостовой части котла.

Схема {{parts_subject_r}}
Схема угольного парового котла STEAMEXPERT 1600 кг 130 °С 0,17 МПа

Система питания угольного парового котла STEAMEXPERT 1600 кг 130 °С 0,17 МПа

При работе котла питание водой угольного парового котла STEAMEXPERT 1600 кг 130 °С 0,17 МПа производится через штуцер.

Подпитка котла ведется из питательного бака через насос, соединительную арматуру. На трубопроводе подпитки котла водой должно быть установлено запорное устройство и обратный клапан. Запорное устройство должно располагаться между котлом и обратным клапаном.

Для подпитки устанавливается не менее двух насосов с электроприводом. На стороне нагнетания каждого центробежного насоса до запорного органа должен быть установлен обратный клапан.

На трубопроводе выдачи пара, в непосредственной близости от котла, устанавливается запорное устройство.

На котле имеются продувочные штуцера Ду25, Ду15 и Ду10. Штуцер Ду25 предназначен для удаления шлама, образующегося в результате работы котла, периодической продувки котловой воды и для спуска воды в случае необходимости. Штуцер Ду15 предназначен для продувки водомерной колонки. Штуцера Ду10 предназначены для продувки указателей уровня.

В передней части жаровой трубы в верхней части установлена легкоплавкая пробка – предохранительное устройство прямого действия.

На боковой части корпуса устанавливается датчик уровней воды, связанный с паровым и водным пространством котла соединительными трубками не менее Ду25.

На боковой части корпуса устанавливается соединительная труба (колонка), служащая для установки двух указателей уровня, и связанная с паровым и водным пространством котла соединительными трубками не менее Ду25.

На боковой части корпуса внизу у котла имеется ревизия с крышкой, для периодического осмотра состояния поверхностей нагрева со стороны водяного объема.

Система питания котла
Система питания угольного парового котла STEAMEXPERT 1600 кг 130 °С 0,17 МПа

Отвод пара угольного парового котла STEAMEXPERT 1600 кг 130 °С 0,17 МПа

Предохранительные клапаны предназначены для стравливания давления в котле при превышении допустимого значения. На котле установлено самопритирающиеся предохранительных клапана пропускной способностью не менее часовой производительности котле.

Принцип работы клапана состоит в том, что при достижении паром номинального давления избыток пара выходит наружу. Клапана оборудованы ручным приводом для открывания при проверке их на срабатывание.

Щит управления совместно с электрооборудованием предназначен для управления работой угольного парового котла STEAMEXPERT 1600 кг 130 °С 0,17 МПа и защиты его при возникновении аварийных ситуаций. На двери щита расположены сигнальная лампа и органы управления работой котла, с табличками, указывающими их назначение. По месту либо на стенке щита крепится сигнальная сирена.

На паросборной камере устанавливается один электроконтактный манометр. При монтаже манометра, показывающего давление пара в котле, должна быть предусмотрена установка трехходового крана между манометром и сифонным устройством. Допускается установка других устройств, позволяющих контролировать показания рабочего манометра, путем подключения в систему контрольного манометра. Электроконтактный манометр выполняет роль датчика давления и предназначен для отключения дутьевого вентилятора и включения аварийной сигнализации при достижении паром предельно допустимого давления.

Датчик уровней служит для подачи команды на включение и отключение питательного насоса котла в процессе работы.

Указатель уровня воды предназначен для визуального контроля за уровнем воды при работе котла. На корпусе указателя крепится рамка или наносятся метки, указывающие верхний и нижний уровень воды.

Легкоплавкая пробка предназначена для сброса пара во внутренний объем топочной камеры в случае упуска воды ниже аварийного уровня и достижения фактического уровня воды на работающем котле ниже верхней кромки жаровой трубы. При этом легкоплавкая пробка перестает охлаждаться котловой водой и нагревается до температуры газов в топочной камере. Из-за нагрева наполнитель легкоплавкой пробки плавится и выдавливается давлением пара в топочную камеру, при этом сбрасывается давление пара и дополнительно гасится пламя.

Отвод пара {{parts_subject_r}}
Отвод пара угольного парового котла STEAMEXPERT 1600 кг 130 °С 0,17 МПа

Сертификат и качество угольного парового котла STEAMEXPERT 1600 кг 130 °С 0,17 МПа

Паровые котлы производства Котельный завод "РЭП" соответствуют строгим стандартам качества и безопасности. Завод производит паровые котлы в соответствии с Техническими условиями Завода изготовителя.

Котлы имеют сертификаты соответствия Техническим регламентам Таможенного союза:

  • ТР ТС 032/2013 «О безопасности оборудования, работающего под избыточным давлением».

Жаротрубный паровой котел на угле 1600 кг / 1.6 т пара -130 °С -0,17 МПа / 1.7 кгс/cм² имеет гарантийный срок 12 месяцев и срок работы при соблюдении правил монтажа и эксплуатации оборудования 10 лет.

Паровые котлы сертификат
Сертификат на паровые котлы
Торговый знак на котлы паровые STEAMEXPERT
Торговый знак на паровые котлы STEAMEXPERT

Производим промышленные водогрейные и паровые котлы с 2003 г.

Завод осуществляет производство, проектирование и монтаж котельного оборудования для производственных и отопительных котельных.

Котельный завод